Product Summary
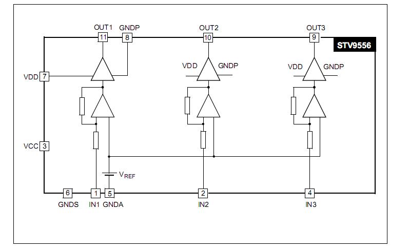
The STV9556A is a triple-channel video amplifier designed in a 120V-high voltage technology and able to drive in DC-coupling mode the 3 cathodes of a CRT monitor. The STV9556A supports PICTURE BOOST applications where video amplitude up to 50V or above is required, ensuring a maximum quality of the still pictures or moving video.
Parametrics
STV9556A absolute maximum ratings: (1)High supply voltage: 120 V; (2)Low supply voltage: 16.5 V; (3)Output source current (pulsed < 50μs): 80 mA; (4)Output sink current (pulsed < 50μs): 80 mA; (5)Maximum Input Voltage: VCC + 0.3 V; (6)Minimum Input Voltage: - 0.5 V; (7)Junction Temperature: 150 °C; (8)Storage Temperature: -20 + 150 °C.
Features
STV9556A features: (1)Triple-channel video amplifier; (2)Supply voltage up to 115 V; (3)80V Output dynamic range; (4)Perfect for PICTURE BOOST application requiring high video amplitude; (5)Pinning for easy PCB layout; (6)Supports DC coupling (optimum cost saving) and AC coupling applications; (7)Built-in Voltage Gain: 20 (Typ.); (8)Rise and Fall Times: 7.5 ns (Typ.); (9)Bandwidth: 50 MHz (Typ.); (10)Very low stand-by power consumption; (11)Perfectly matched with the STV921x preamplifiers.
Diagrams

![]() |
![]() STV9118 |
![]() Other |
![]() |
![]() Data Sheet |
![]() Negotiable |
|
||||||
![]() |
![]() STV91455F |
![]() TE Connectivity |
![]() DIP Switches / SIP Switches STV10 SIP SWITCH SPECIAL |
![]() Data Sheet |
![]()
|
|
||||||
![]() |
![]() STV9211 |
![]() Other |
![]() |
![]() Data Sheet |
![]() Negotiable |
|
||||||
![]() |
![]() STV9212 |
![]() Other |
![]() |
![]() Data Sheet |
![]() Negotiable |
|
||||||
![]() |
![]() STV9302A |
![]() Other |
![]() |
![]() Data Sheet |
![]() Negotiable |
|
||||||
![]() |
![]() STV9302B |
![]() Other |
![]() |
![]() Data Sheet |
![]() Negotiable |
|
||||||
(China (Mainland))








