Product Summary
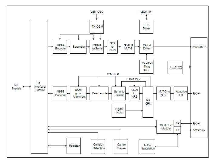
The DM9161AEP is a physical layer, single-chip, and low power transceiver for 100BASE-TX and 10BASE-T operations. On the media side, it provides a direct interface either to Unshielded Twisted Pair Category 5 Cable(UTP5) for 100BASE-TX Fast Ethernet, or UTP5/UTP3 Cable for 10BASE-T Ethernet. Through the Media Independent Interface (MII), the DM9161AEP connects to the Medium Access Control (MAC) layer, ensuring a high inter operability from different vendors. The DM9161AEP uses a low power and high performance advanced CMOS process. It contains the entire physical layer functions of 100BASE-TX as defined by IEEE802.3u, including the Physical Coding Sublayer (PCS), Physical Medium Attachment (PMA), Twisted Pair Physical Medium Dependent Sublayer (TP-PMD), 10BASE-TX Encoder/Decoder (ENC/DEC), and Twisted Pair Media Access Unit (TPMAU). The DM9161AEP provides a strong support for the auto-negotiation function, utilizing automatic media speed and protocol selection. Furthermore, due to the built-in wave shaping filter, the device needs no external filter to transport signals to the media in 100BASE-TX or 10BASE-T Ethernet operation.
Parametrics
DM9161AEP absolute maximum ratings: (1)Supply Voltage:-0.3V to 3.6V ; (2)DC Input Voltage (VIN):-0.5V to 5.5V ; (3)DC Output Voltage(VOUT):-0.3V to 3.6V ; (4)Storage Temperature Rang (Tstg):-65℃ to +150℃; (5)Case Temperature:0℃ to 85℃; (6)Lead Temp. (TL, Soldering, 10 sec.):260℃.
Features
DM9161AEP features: (1)Fully comply with IEEE 802.3 / IEEE 802.3u 10Base-T/100Base-TX, ANSI X3T12 TP-PMD 1995 standard ; (2)Support MDI/MDI-X auto crossover function (Auto-MDI) ; (3)Support Auto-Negotiation function, compliant with IEEE 802.3u ; (4)Fully integrated Physical layer transceiver On-chip filtering with direct interface to magnetic transformer ; (5)Selectable repeater or node mode ; (6)Selectable MII or RMII (Reduced MII) mode for 100Base-TX and 10Base-TX. Selectable MII or GPSI (7-Wired) mode for 10Base-T ; (7)Selectable full-duplex or half-duplex operation ; (8)MII management interface with maskable interrupt output capability; (9)Provide Loopback mode for easy system diagnostics ; (10)LED status outputs indicate Link/ Activity, Speed10/100 and Full-duplex/Collision. Support Dual-LED optional control ; (11)Single low power Supply of 3.3V with an advanced CMOS technology ; (12)Very Low Power consumption modes:Power Reduced mode (cable detection), Power Down mode, Selectable TX drivers for 1:1 or 1.25:1 transformers for additional power reduction. 1: 1 transformers only when HP Auto-MDIX Enable . ; (13)Compatible with 3.3V and 5.0V tolerant I/Os ; (14)48-pin LQFP.
Diagrams

![]() |
![]() DM9102A |
![]() Other |
![]() |
![]() Data Sheet |
![]() Negotiable |
|
||||
![]() |
![]() DM9161 |
![]() Other |
![]() |
![]() Data Sheet |
![]() Negotiable |
|
||||
![]() |
![]() DM9161A |
![]() Other |
![]() |
![]() Data Sheet |
![]() Negotiable |
|
||||
![]() |
![]() DM9102D |
![]() Other |
![]() |
![]() Data Sheet |
![]() Negotiable |
|
||||
(China (Mainland))








