Product Summary
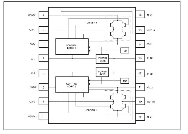
The BA6845FS is a stepping motor driver with a maximum output current of 1.0A. The logic input allows three output modes : forward, reverse, and power save. The BA6845FS has a low output saturation voltage and is capable of driving motors at low supply voltage. The application of it is Stepping motors for floppy disk drives.
Parametrics
BA6845FS absolute maximum ratings: (1)applied voltage:12V; (2)power dissipation:800mW; (3)operating temperature:-25 to +75℃; (4)storage temperature:-55 to +150℃; (5)allowable output current:1000mA.
Features
BA6845FS features: (1)Low output saturation voltage; (2)Power save circuit; (3)Thermal shutdown circuit.
Diagrams

| Image | Part No | Mfg | Description | ![]() |
Pricing (USD) |
Quantity | ||||||
|---|---|---|---|---|---|---|---|---|---|---|---|---|
![]() |
![]() BA6845FS |
![]() Other |
![]() |
![]() Data Sheet |
![]() Negotiable |
|
||||||
![]() |
![]() BA6845FS-E2 |
![]() ROHM Semiconductor |
![]() Motor / Motion / Ignition Controllers & Drivers FDD STEPPING MOTOR DRIVER |
![]() Data Sheet |
![]()
|
|
||||||
(China (Mainland))










