Product Summary
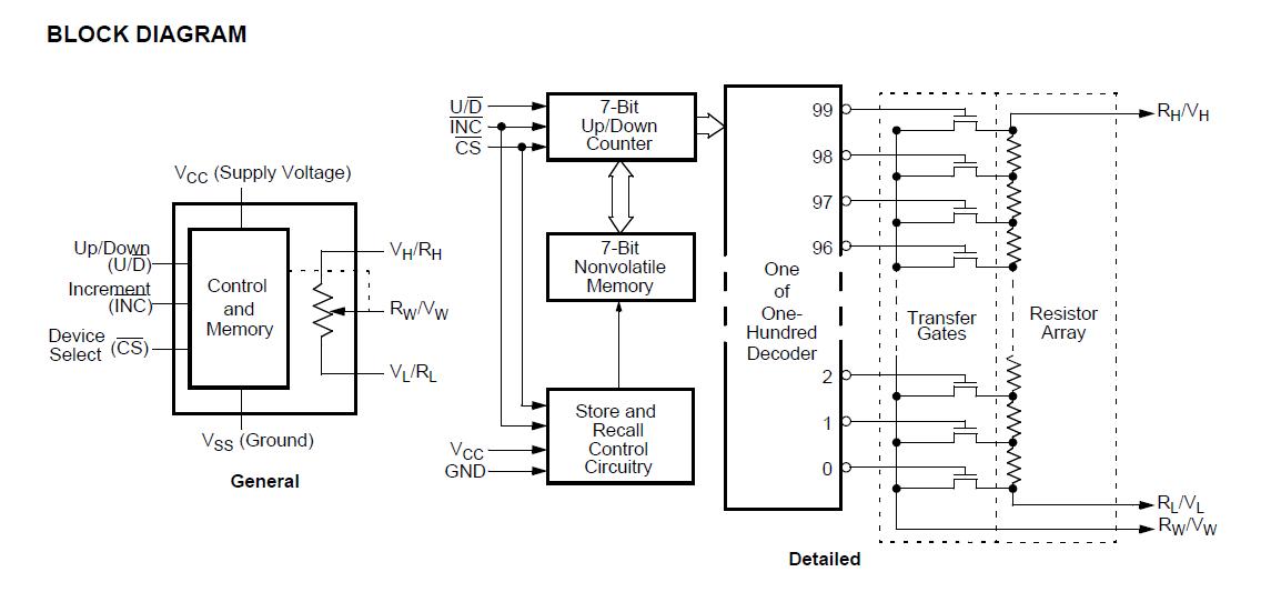
The X9C102P is an Intersil digitally controlled (XDCP) potentiometer. The device consists of a resistor array, wiper switches, a control section, and nonvolatile memory. The wiper position is controlled by a three-wire interface.
Parametrics
X9C102P absolute maximum ratings: (1)Temperature under bias: -65℃ to +135℃; (2)Storage temperature: -65℃ to +150℃; (3)Voltage on CS, INC, U/D and VCC with respect to VSS: -1V to +7V; (4)Voltage on VH/RH and VL/RL referenced to VSS: -8V to +8V; (5)ΔV = |VH/RH - VL/RL|: 4V; (6)Lead temperature (soldering, 10 seconds): +300℃; (7)IW (10 seconds): 8.8mA.
Features
X9C102P features: (1)Solid-state potentiometer; (2)3-wire serial interface; (3)100 wiper tap points: wiper position stored in nonvolatile memory and recalled on power-up; (4)99 resistive elements: temperature compensated, end to end resistance, ±20%, terminal voltages, ±5V; (5)Low power CMOS: VCC = 5V, active current, 3mA max., standby current, 750μA max.
Diagrams

| Image | Part No | Mfg | Description | ![]() |
Pricing (USD) |
Quantity | ||||||||||
|---|---|---|---|---|---|---|---|---|---|---|---|---|---|---|---|---|
![]() |
![]() X9C102P |
![]() |
![]() IC DIGITAL POT 1K 100TP 8DIP |
![]() Data Sheet |
![]() Negotiable |
|
||||||||||
![]() |
![]() X9C102PI |
![]() |
![]() IC XDCP 100-TAP 1K EE 8-DIP |
![]() Data Sheet |
![]() Negotiable |
|
||||||||||
![]() |
![]() X9C102PIZ |
![]() |
![]() IC XDCP 100-TAP 1K EE 8-DIP |
![]() Data Sheet |
![]()
|
|
||||||||||
![]() |
![]() X9C102PZ |
![]() |
![]() IC XDCP 100-TAP 1K EE 8-DIP |
![]() Data Sheet |
![]()
|
|
||||||||||
(China (Mainland))









