Product Summary
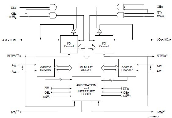
The IDT71V30L35TFI is a high-speed 1K x 8 Dual-Port Static RAM. The IDT71V30L35TFI is designed to be used as a stand alone 8-bit Dual-Port SRAM. IDT71V30L35TFI provides two independent ports with separate control, address, and I/O pins that permit independent, asynchronous access for reads or writes to any location in memory. An automatic power down feature, controlled by CE, permits the on chip circuitry of each port to enter a very low standby power mode. Fabricated using IDT CMOS high-performance technology, the IDT71V30L35TFI typically operates on only 375mW of power. Low-power (L) versions offer battery backup data retention capability, with each Dual-Port typically consuming 200μW from a 2V battery. The IDT71V30L35TFI device is packaged in 64-pin STQFPs.
Parametrics
IDT71V30L35TFI absolute maximum ratings: (1)VTERM, Terminal Voltage with Respect to GND: -0.5 to +4.60V; (2)TBIAS Temperature Under Bias: -55 to +125 ℃; (3)TSTG Storage Temperature: -65 to +150 ℃; (4)IOUT DC Output Current: 50 mA.
Features
IDT71V30L35TFI features: (1)High-speed access; (2)Low-power operation; (3)On-chip port arbitration logic; (4)Interrupt flags for port-to-port communication; (5)Fully asynchronous operation from either port; (6)Battery backup operation, 2V data retention (L Only); (7)TTL-compatible, single 3.3V ±0.3V power supply; (8)Industrial temperature range (-40OC to +85OC) is available for selected speeds.
Diagrams

| Image | Part No | Mfg | Description | ![]() |
Pricing (USD) |
Quantity | ||||||||||||||||||||||
|---|---|---|---|---|---|---|---|---|---|---|---|---|---|---|---|---|---|---|---|---|---|---|---|---|---|---|---|---|
![]() |
![]() IDT71V30L35TFI |
![]() |
![]() IC SRAM 8KBIT 35NS 64STQFP |
![]() Data Sheet |
![]()
|
|
||||||||||||||||||||||
![]() |
![]() IDT71V30L35TFI8 |
![]() |
![]() IC SRAM 8KBIT 35NS 64TQFP |
![]() Data Sheet |
![]()
|
|
||||||||||||||||||||||
(China (Mainland))









