Product Summary
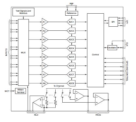
The ADS1198CPAG is a multichannel, simultaneous sampling, 16-bit, delta-sigma (△∑) analog-to-digital converter (ADC) with a built-in programmable gain amplifier (PGA), internal reference, and an onboard oscillator. The ADS1198CPAG incorporates all of the features that are commonly required in medical electrocardiogram (ECG) applications. The applications of the ADS1198CPAG include Medical Instrumentation (ECG): Patient monitoring; Holter, event, stress, and vital signs Including ECG, AED, Telemedicine: Evoked audio potential (EAP), Sleep study monitor, High-Precision, Simultaneous, Multichannel Signal Acquisition.
Parametrics
ADS1198CPAG absolute maximum ratings: (1)AVDD to AVSS: –0.3 to +5.5 V; (2)DVDD to DGND: –0.3 to +3.9 V; (3)AVSS to DGND: –3 to +0.2 V; (4)VREF input to AVSS AVSS: – 0.3 to AVDD + 0.3 V; (5)Analog input to AVSS AVSS: – 0.3 to AVDD + 0.3 V; (6)Digital input voltage to DGND: –0.3 to DVDD + 0.3 V; (7)Digital output voltage to DGND: –0.3 to DVDD + 0.3 V; (8)Digital input voltage to DGND: –0.3 to DVDD + 0.3 V; (9)Digital output voltage to DGND: –0.3 to DVDD + 0.3 V; (10)Input current (momentary): 100 mA; (11)Input current (continuous): 10 mA; (12)Operating temperature range: 0 to +70 ℃; (13)ESD ratings: ±2000 V; (14)Storage temperature range: –60 to +150 ℃; (15)Maximum junction temperature (TJ): +150 ℃.
Features
ADS1198CPAG features: (1)Eight Low-Noise PGAs and Eight High-Resolution ADCs (ADS1198); (2)Low Power: 0.55mW/channel; (3)Input-Referred Noise: 12mVPP (150Hz BW, G = 6); (4)Input Bias Current: 200pA; (5)Data Rate: 125SPS to 8kSPS; (6)CMRR: –105dB; (7)Programmable Gain: 1, 2, 3, 4, 6, 8, or 12; (8)Supplies: Unipolar or Bipolar: Analog: 2.7V to 5.25V, Digital: 1.65V to 3.6V; (9)Built-In Right Leg Drive Amplifier, Lead-Off Detection, WCT, Test Signals; (10)Pace Detection Channel Select.
Diagrams

| Image | Part No | Mfg | Description | ![]() |
Pricing (USD) |
Quantity | ||||||||||||
|---|---|---|---|---|---|---|---|---|---|---|---|---|---|---|---|---|---|---|
![]() |
![]() ADS1198CPAG |
![]() Texas Instruments |
![]() ADC (A/D Converters) Low-Noise8Ch16B Analog Front End |
![]() Data Sheet |
![]()
|
|
||||||||||||
![]() |
![]() ADS1198CPAGR |
![]() Texas Instruments |
![]() ADC (A/D Converters) Low-Noise8Ch16B Analog Front End |
![]() Data Sheet |
![]()
|
|
||||||||||||
(China (Mainland))










